Doorgaan naar inhoud
Image
Image
Image
Image

Hansa

Hansa Onderdelen HANSACOBRA Zelfsluitende Wastafelkraan Artikelnummer 9402110

Koop losse onderdelen

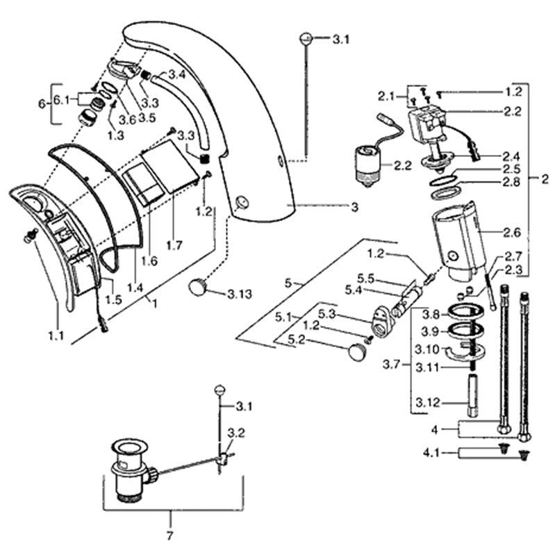
Bekijkt u op de tekening welk onderdeel u nodig heeft. Onderdelen die nog leverbaar zijn staan hier onder weergegeven inclusief relevante informatie als voorraad en verwachte levertijd.

  • €567

    Speciale bestelling

  • €28

    Speciale bestelling

  • €15

    Speciale bestelling

  • €40

    Op Voorraad (6 st.)

  • €259

    Speciale bestelling

  • €22

    Speciale bestelling

  • €31

    Speciale bestelling

  • €5

    Speciale bestelling

  • €14

    Speciale bestelling

  • €5

    Speciale bestelling

  • €59

    Speciale bestelling

  • €34

    Speciale bestelling

  • €50

    Speciale bestelling

  • €8

    Speciale bestelling

  • €28

    Speciale bestelling

  • €16

    Binnenkort weer op voorraad

  • €10

    Op Voorraad (5 st.)

  • €121

    Speciale bestelling

  • Met een 9+ beloond
    door 9000+ Klanten

  • 100% Originele
    Onderdelen

  • GRATIS verzenden
    vanaf €75 (NL)

Hansa Onderdelen HANSACOBRA Zelfsluitende Wastafelkraan Artikelnummer 9402110
Product ID
15355555447168
Product type -
Toepassingsgebied Onderdelen Per Tekening

Wij zijn erg zeker van ons Specialisme en bieden u dan ook graag onze hulp aan bij het bestellen van de juiste onderdelen.

Wij geloven in het gegeven advies en bieden daarom de garantie dat ons advies klopt. Hebben wij u geadviseerd en klopt het toch aantoonbaar niet? Dan nemen wij hiervoor onze verantwoordelijkheid en kan het gratis retour*, of het nu speciaal besteld is of niet.

Dat is onze Advies Garantie, dus bij twijfel, neem contact met ons op voor gratis advies op maat

*Vraagt u geen advies dan zijn uiteraard de normale retourvoorwaarden van toepassing

Neem contact op met uw onderdelen vraag

Dit product is niet meer leverbaar, retourneren is hierbij dan ook niet meer van toepassing

Retour Voorwaarden
Image

Hansa Onderdelen HANSACOBRA Zelfsluitende Wastafelkraan Artikelnummer 9402110

Winkelwagen

Je winkelwagen is momenteel leeg!

Verlanglijst